- Chống sét lan truyền đường EVN DS40-275, dòng cắt sét In 20kA, Imax 40kA. Bảo vệ Class II+Class III theo tiêu chuẩn IEC, Type 2+Type 3 theo tiêu chuẩn EN. Sản phẩm được sản xuất bởi hãng Surge Free-Korea.
- Liên hệ hotline: 0944249191
- Dowload tải Catalogue cắt sét Surge Free DS40 tại đây.
+ Bảo vệ các thiết bị điện, thiết bị điện tử không bị hỏng do xung sét lan truyền xung sét cảm ứng trên đường dây gây ra.
+ Thiết bị chống sét Surge Free DS40-275 bảo vệ thiết bị tải khỏi bị hỏng khi có hiện tượng quá áp trên đường dây như đóng mở cầu dao, Attomat,…
Hình ảnh: cắt sét 1 pha Surge Free DS40-275
+ Chống sét Surge Free DS40-275 sử dụng bảo vệ cấp 2, Type 2, Class 2 trong mạch điện phân phối.
+ Phù hợp với mạch điện TT 1 pha 2 dây+đất hoặc 3 pha 4 dây+đất. Cấu hình bảo vệ 1P+N hoặc 3P+N.
+ Lắp đặt mắc song song với tải tiêu thụ trong tủ điện 1 pha hoặc 3 pha. Phù hợp tủ điện công nghiệp, Camera, Dân dụng, Tòa nhà.
+ Chống sét DS40-275 khả năng cắt xung sét In: 20kA và Imax: 40kA hãng Surge Free xuất xứ: Hàn Quốc. Hàng hóa có đầy đủ giấy chứng nhận chất lượng Cq & giấy chứng nhận xuất xứ Co đi kèm hàng hóa
Hình ảnh: cắt sét 3 pha Surge Free DS40-275
Model chống sét 1 pha 2 cực | : DS40-275 (V+T) |
Model cắt sét 3 pha 4 cực | : DS40-275 (3V+T) |
Hãng sản xuất DS40-275 | : Surge Free |
Xuất xứ chống sét lan truyền | : Korea (Hàn Quốc) |
Cấu hình bảo vệ cắt sét DS40-275 | : L-N & N-E |
Mạng điện tương thích | : TT, TNS |
Công nghệ cắt sét | : MOV+GDT kết hợp với ngắt kết nối nhiệt |
Điện áp làm việc bình thường L-N: Un | : 220÷240Vac |
Điện áp làm việc liên tực cực đại L-N: Uc | : 275Vac |
Điện áp làm việc liên tục cực đại N-PE: Uc | : 255Vac |
Tần số làm việc cắt sét DS40-275 | : 50/60Hz |
Dòng cắt sét bình thường L-N: In | : 20kA xung 8/20µs |
Dòng cắt sét cực đại L-N: Imax | : 40kA xung 8/20µs |
Dòng cắt sét bình thường N-PE: In | : 20kA xung 8/20µs |
Dòng cắt sét cực đại N-PE: Imax | : 40kA xung 8/20µs |
Thời gian đáp ứng L-N/N-PE: tA | : ≤ 25ns/100ns |
Cấp điện áp vào vệ tại In L-N/N-PE: Up | : ≤ 1.5kV |
Hiển thị trạng thái làm việc modle cắt sét | : Cờ màu xanh Oke, cờ màu đỏ cần thay thế |
Nhiệt độ làm việc thiết bị chống sét DS40 | : -40÷800C |
Độ ẩm chống sét lan truyền | : 5%÷95% |
Vỏ bao quanh/độ kín | : Nhựa chống cháy UL94-V0/IP20 |
Kích thước/trọng lượng DS40-1P | : 90x35.5x66mm/300g |
Kích thước/trọng lượng DS40-3P | : 90x71x66mm/600g |
Lắp đặt thiết bị cắt sét Surge Free | : DIN35mm |
Kích thước cáp đấu nỗi | : ≤ 25mm2 cáp 1 lõi; ≤ 16mm2 cáp nhiều sợi |
Tiêu chuẩn đáp ứng | : IEC 61643-11 |
Thời gian bảo hành | : 12 tháng |
Hình ảnh: Module cắt sét bảo vệ L-N Surge Free
Bảng giá tham khảo cắt sét gắn trên DIN Surge Free-Korea.
- Đơn giá thiết bị cắt sét gắn trên DIN Surge Free-Korea chưa bao gồm VAT và nhân công lắp đặt.
- Tiến độ cung cấp hàng hóa cũng tùy thuộc vào thời điểm đối với hàng hóa không có sẵn ở Việt Nam nhập 2-3 tuần.
- Chống sét lan truyền EVN 1pha Un: 220Vac, bảo vệ Type 2, cấu hình bảo vệ 1P+N, điện áp làm việ liên tục cực đại Uc: 275Vac, dòng cắt sét In: 20kA xung 8/20µs, dòng cắt sét lớn nhất Imax: 40kA xung 8/20µs, thời gian đáp ứng tA < 25ns. Mã hàng: DS40/275(V+T), xuất xứ: Surge Free-Korea. Đơn giá: 1.650.000 vnđ/cái.
- Cắt sét lan truyền qua đường nguồn điện 3pha Un: 220/380Vac bảo vệ Class 2, cấu hình bảo vệ 3P+N, dòng cắt sét In: 20kA/pha xung 8/20µs, dòng cắt sét lớn nhất Imax: 40kA/pha xung 8/20µs, thời gian đáp ứng tA < 25ns. Hàng hóa có đầy đủ giấy chứng nhận Co, Cq. Mã hàng: DS40/275(3V+T), xuấtxứ: Surge Free-Korea. Đơn giá: 2.950.000 vnđ/cái
Hình ảnh: vỏ hộp cắt sét DS40-275 Surge Free
- Chống sét lan truyền Surge Free có kích thước nhỏ gọn lắp đặt trong tủ điện trên DIN 35mm giống như đấu nối Attomat.
- Thiết bị cắt sét gắn trên DIN của Surge Free được lắp đặt song song với tủ điện 1 pha hoặc 3 pha.
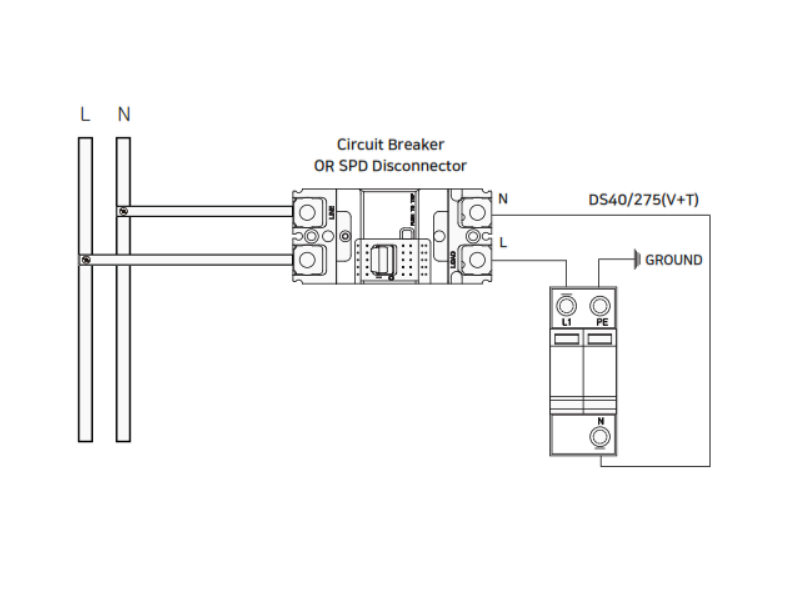
Trên thiết bị đã ghi sẵn L (L1, L2, L3), N, PE trong đó
+ L: là dây Pha
+ N: là dây trung tính
+ PE: là dây nối đất
- Khi đấu nối phải đấu đúng ký tự ghi trên thiết bị thì mới đem lại cầu hình bảo vệ tốt nhất cho mạng điện TT L-N & N-PE.

Hình ảnh: sơ đồ đấu nối cắt sét DS40-275 1pha
- Dây đấu nối có tiết diện ≤ 16mm2 đối với cáp nhiều sợi và ≤ 25mm2 đối với cáp 1 lõi. Hệ thống tiếp địa được kết nối với thiết bị chống sét Surge Free phải có trị số điện trở đất ≤ 4Ω.
Sau khoảng một thời gian lắp đặt thiết bị cắt sét xong cần kiểm tra định kỳ xem mức độ hoạt động module cắt sét. Nếu màn hình của module cắt sét màu xanh thì module cắt sét đó còn hoạt động tốt, nếu chuyển sang màu đỏ cần thay thế mudule cắt sét đó.

Hình ảnh: sơ đồ đấu nối cắt sét DS40-275 3pha
- Quý khách hàng cần Catalogue cũng như giá rẻ thiết bị chống sét cảm ứng Surge Free-Korea vui lòng liên hệ Chống Sét Trần Gia Mobile: 0978281637. Tel: 02466528821.
- Ngoài ra quý khách hàng có thể tham khảo thiết bị cắt sét gắn trên DIN giá rẻ của Việt Nam mã hàng TEC MT50.
Địa chỉ:
Email :
Mobile:
Đăng ký Email từ Shop hàng hiệu để nhận những thông tin mới nhất từ chúng tôi !