+ Nguyên nhân gây hư hỏng mạch của các thiết bị điện, điện tử quan trọng gồm: Sét đánh trực tiếp và gián tiếp; công ty điện lực chuyển tải; việc chuyển mạch tải đầu nguồn.
+ Đối với các thiết bị điện tử nhậy cảm các xung thoáng qua gây ra sự thay đổi đột ngột của dv/dt và di/dt đây cũng là nguyên nhân gây hư hỏng mạch điện tử.
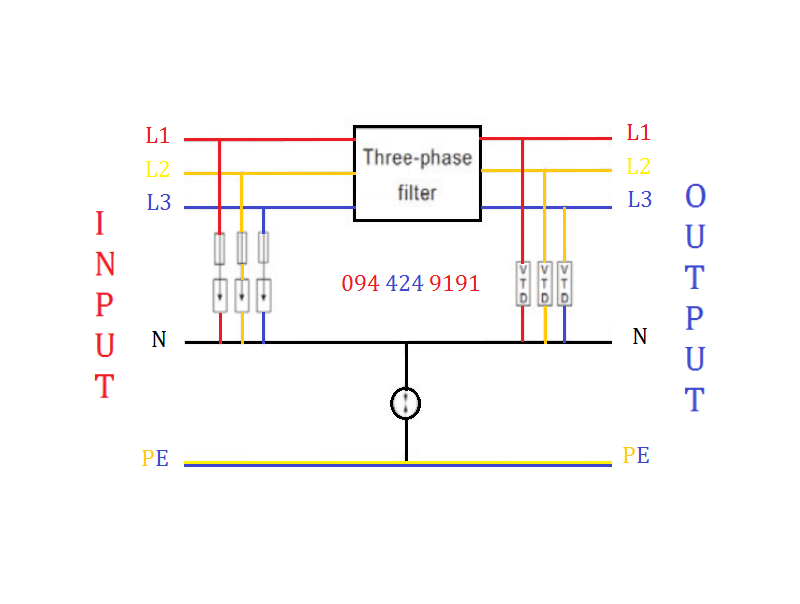
+ Thiết bị cắt lọc sét Prosurge bảo vệ 3 tầng với thiết kế bộ lọc LC để bảo vệ các thiết bị điện tử nhạy cảm. Ngoài ra Tủ cắt lọc sét Prosurge cung cấp khả năng lọc tần số với mạch lọc RFI/EMI.
+ Khả năng chịu xung điện cao lên đến 50kA 10/350µs hoặc 10kA÷200kA 8/20µs cho mỗi chế độ. Với công nghệ ESG, cắt sét thứ cấp với công nghệ VTD.
+ Khả năng chịu xung của chế độ N-PE lên đến 100kA 10/350μs
+ Dòng tải khác nhau 200A÷ 800A, có sẵn cho điện ba pha.
+ Cầu chì tích hợp mắc nối tiếp để bảo vệ quá tải/ngắn mạch.
+ Cấu hình bảo vệ của thiết bị cắt lọc sét Prosurge bảo vệ mọi chế độ.
+ Tủ chống sét lan truyền Prosurge có đèn LED hiển thị trạng thái làm việc của thiết bị. + Chức năng báo động từ xa có sẵn, bộ đếm đột biến tùy chọn.

Hình ảnh: cấu tạo tủ BSF 3 pha Prosurge
- Bảng thông số kỹ thuật chính tủ cắt lọc sét Prosurge 3 pha tải từ 200A đến 800A.
+ Cắt lọc sét 03 pha 200A Prosurge | : BSF200-3/320-200A-3PN-VTD-S |
+ Cắt lọc sét 03 pha 250A Prosurge | : BSF200-3/320-250A-3PN-VTD-S |
+ Cắt lọc sét 03 pha 315A Prosurge | : BSF200-3/320-315A-3PN-VTD-S |
+ Cắt lọc sét 03 pha 400A Prosurge | : BSF200-3/320-400A-3PN-VTD-S |
+ Cắt lọc sét 03 pha 630A Prosurge | : BSF200-3/320-630A-3PN-VTD-S |
+ Cắt lọc sét 03 pha 800A Prosurge | : BSF200-3/320-800A-3PN-VTD-S |
+ Tiêu chuẩn đáp ứng | : IEC61643-11; UL1449 thứ 4; IEC61000-6; ANSI/IEEE C62.41; AS1768-1991, AS3100 |
+ Cấp bảo vệ theo IEC/EN/UL | : Class I+II/Type 1+2/Type 2 |
+ Cấu hình bảo vệ | : Tất cả các cấu hình |
+ Công nghệ cắt sét sơ cấp | : ESG (Encapulated Spark Gap) |
+ Mạch lọc sét/lọc tần số | : LC/RFI/EMI |
+ Công nghệ cắt sét thứ cấp | : VTD (bản chất là công nghệ TD Transient Discriminating) kế hợp ngắn kết nối nhiệt |
+ Công nghệ cắt sét N-PE | : GDT (Gas Discharge Tube) |
+ Điện áp làm việc bình thường Un | : 220/380V hoặc 277/480V |
+ Điện áp làm việc liên tục cực đại Uc | : 320V hoặc 420V |
+ Dòng tải tủ cắt lọc sét Prosurge Iload | : 200A, 250A, 315A, 400A, 600A, 800A |
+ Khả năng cắt sét bình thường In | : 50kA xung 8/20µs |
+ Khả năng cắt sét L-N sơ cấp Iimp/Imax | : Iimp 50kA 10/350µs, Imax 150kA 8/20µs |
+ Khả năng cắt sét N-PE Iimp/Imax | : Iimp 100kA 10/350µs, Imax 200kA 8/20µs |
+ Khả năng cắt sét L-N thứ cấp Imax | : 50kA xung 8/20µs |
+ Tổng dòng cắt sét trên mỗi pha Itotal | : 200kA xung 8/20µs |
+ Mức điện áp bảo vệ tại L-N 3kA Up | : ≤ 0.5kV |
+ Mức điện áp bảo vệ tại In L-N Up | : ≤ 1.0kV |
+ Mức điện áp bảo vệ tại N-PE Up | : ≤ 1.5kV |
+ Dòng rò bộ cắt lọc sét Prosurge | : ≤ 0.1mA |
+ Khả năng sụt điện áp tại tải định mức | : < 2V |
+ Chịu quá áp tạm thời Utov | : 440V trong vòng 120’ |
+ Thời gian đáp ứng tA | : ≤ 1ns |
+ Khả năng lọc | : > 48db tại 1Mhz |
+ Bảo vệ quá dòng, quá áp | : Cầu chì hoặc MCCB |
+ Khả năng đếm xung sét | : Có thể lựa chọn đếm được xung ≤ 3kA |
+ Hiển thị trạng thái làm việc | : 4 đèn LED, led xanh oke, led đỏ cần thay thế |
+ Cảnh báo xa tiếp điểm Nc, No | : Có |
+ Nhiệt độ làm việc | : -400C÷700C |
+ Độ ẩm làm việc | : 0%÷95% |
+ Độ cao lắp đặt | : ≤ 2000m |
+ Vỏ hộp/độ kín | : Thép sơn tĩnh điện/IP20 |
+ Lắp đặt bộ cắt lọc sét Prosurge | : Trong nhà |
+ Kích thước/trọng lượng tủ 400A | : 900x760x245mm/82kg |

Hình ảnh: tủ cắt lọc sét 3 pha Prosurge-BSF
- Giá mang tính chất tham khảo chưa bao gồm VAT và nhân công lắp đặt. Giá có thể thay đổi mà không cần báo trước.
- Tiến độ cung cấp trong vòng 6-8 tuần kể từ ngày có xác nhận đạt hàng, hàng hóa có đầy đủ giấy chứng nhận xuất xứ Co, giấy chứng nhận chất lượng Cq.
- Thiết bị cắt lọc sét 3 pha dòng tải 200A, mắc nối tiếp với tải tiêu thụ, dòng cắt sét L-N Itotal: 200kA, N-PE: 200kA xung 8/20µs. Mã hàng: BSF200-3/320-200A-3PN-VTD-S. Xuất xứ: Prosurge-China | : 120.000.000 |
- Bộ cắt lọc sét 3 pha dòng tải 250A. Điện áp làm việc bình thường 220/380V, điện áp làm việc liên tục cực đại L-N Uc 320V, khả năng chịu quá áp tạm thời Utov 440V trong vòng 120’. Mã hàng: BSF200-3/320-250A-3PN-VTD-S. Xuất xứ: Prosurge-China | : 150.000.000 |
- Chống sét lan truyền 3 pha dòng tải 315A. Công nghệ đa kết hợp ESG+VTD+GDT kết hợp ngắt kết nối nhiệt. Mã hàng: BSF200-3/320-315A-3PN-VTD-S. Xuất xứ: Prosurge-China | : 190.000.000 |
- Thiết bị chống sét lan truyền qua đường nguồn điện 3 pha 400A. Bảo vệ Class 1+2/Type 1+2/Type 2 theo tiêu chuẩn IEC/EN/UL. Mã hàng: BSF200-3/320-400A-3PN-VTD-S. Xuất xứ: Prosurge-China | : 230.000.000 |
- Tủ cắt lọc sét lan truyền đường nguồn 3 pha 630A. Bảo vệ 3 giai đoạn cắt sét sơ cấp, lọc sét LC, cắt sét thứ cấp. Mã hàng: BSF200-3/320-630A-3PN-VTD-S. Xuất xứ: Prosurge-China | : 290.000.000 |
- Bộ chống sét 3 pha tải 800A. Dạng tủ, mắc nối tiếp với tải tiêu thụ. Có cầu chì 315A bảo vệ mo đun cắt sét sơ cấp. Mã hàng: BSF200-3/320-800A-3PN-VTD-S. Xuất xứ: Prosurge-China | : 350.000.000 |

Hình ảnh: kích thước tủ cắt lọc sét Prosurge 400A
- Trước khi đấu nối tiến hành cắt điện, tủ có đấu vào và đấu ra ở phía dưới nên phải đảm bảo khoảng cách giữa dây vào và dây ra cách nhau 30cm. Tránh hiện tượng nhiễm từ trường của dây bị sét đánh.
- Chọn tủ cắt lọc sét phải có tải lớn hơn hoặc bằng tải tiêu thụ.
- Dây tiếp địa phải có khoảng cách càng gần hệ thống tiếp địa càng tốt, tiết diện dây đồng nối ≥ 16mm2. Hệ thống tiếp địa có trị số điện trở ≤ 10Ω, khuyến khích ≤ 04Ω.
- Tủ cắt lọc sét Prosurge có tụ điện có khả năng tích điện nên trong quá trình bảo trì cần phải chờ ít nhất 1-2 phút sau khi ngắt điện, mới tiến hành các công việc tiếp theo.

Hình ảnh: sơ đồ nguyên lý làm việc Prosurge-BSF
- Quý khách hàng cần Dowload catalogue, tư vấn thiết kế, tư vấn lắp đặt bộ chống sét lan truyền qua đường nguồn điện xin vui lòng gọi: 0978281637. Tel: 02466528821
- Chúng tôi còn cung cấp tủ cắt lọc sét công nghệ, thông số kỹ thuật tương đương vui lòng tham khảo tủ cắt lọc sét TSG-TDS của TEC.
Địa chỉ:
Email :
Mobile:
Đăng ký Email từ Shop hàng hiệu để nhận những thông tin mới nhất từ chúng tôi !