- Hãng Erico là một hãng nổi tiếng của Mỹ về lĩnh vực chống sét lan truyền và tiếp địa. Các sản phẩm của Erico đều có giấy chứng nhận CE, IEC, EN, UL. Mỗi dòng sản phẩm của Erico được thiết kế tinh sảo thẩm mỹ và đem lại hiệu quả chống sét cực cao.
- Liên hệ hotline: 0944249191
- Dowload catalogue cắt lọc sét 1 pha 20A Erico TSF20A240Vtại đây.
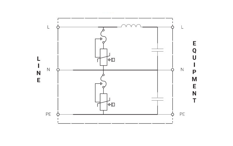
- Chức năng nhiệm vụ Erico TSF20A240V cắt lọc sét lan truyền trên đường dây điện hạ áp, bảo vệ thiết bị khỏi bị hư hỏng khi tình trạng sét đánh lan truyền xẩy ra.
- Đặc điểm chính Erico Critec TSF20A240V thiết kế nhỏ gọn phù hợp bảo vệ cấp 2, cấp 3 trong mạch điện phân phối. Đạt tiêu chuẩn IEC, UL. Phù hợp với các tải nhỏ như PLC, hệ thống Scanda, Trung tâm điều khiển động cơ, Trung tâm điều khiển trạm cân,…
- Bộ cắt sét Erico Critec TSF20A240V thiết kế dạng module dễ dàng thay thế, dễ dạng bảo trì bảo hành. Giảm thời gian chết và thời gian chờ đợi trong quá trình bảo hành thiết bị chống sét.
- Điện áp dư điện áp bảo vệ cho thiết bị Up nhỏ, giúp thiết bị được bảo vệ một cách an toàn.
- Thiết bị cắt lọc sét Erico Critec TSF20A240V được thiết kế theo công nghệ chống sét TD (Transient Discriminating), công nghệ có thể phân biệt được xung sét và xung điện áp thông thường.

- Mã hàng chống sét lan truyền 1 pha | : TSF20A240V |
- Xuất xứ cắt lọc sét 1 pha | : Erico Critec |
- Công nghệ chế tạo | : TD-Transient Discriminating |
- Điện áp làm việc bình thường Un | : 240Vac |
- Điện áp làm việc cực đại Uc | : 275Vac |
- Điện áp thoáng qua | : 440Vac |
- Tần số làm việc | : 0-100Hz |
- Dòng cắt sét lớn nhất L-N Imax | : 20kA xung 8/20µs |
- Dòng cắt sét bình thường L-N In | : 3kA xung 8/20µs |
- Dòng cắt sét lớn nhất giữa N-PE Imax | : 20kA xung 8/20µs |
- Dòng cắt sét bình thường N-PE In | : 3kA xung 8/20µs |
- Điện áp bảo vệ Up tại In giữa L-N | : 850V |
- Điện áp bảo vệ Up tại In giữa N-PE | : 1900V |
- Mạch lọc LC bao gồm cuộn cảm và tụ điện | : -50 dB @ 100 kHz |
- Mạng điện tương thích | : 1 pha 2 dây+đất |
- Cấu hình bảo vệ | : L-N & N-PE hoặc L-PE, N-PE |
- Kích cỡ cáp đấu nối | : 2.5÷10mm2 |
- Lắp đặt bộ cắt lọc sét gắn DIN | : Gắn trên DIN35mm |
- Cảnh báo | : Cờ hiển thị và tiếp điểm cảnh báo xa |
- Vỏ bao quanh | : Bằng nhựa dẻo đạt UL® 94V-0 |
- Định mức độ kín | : IP20 |
- Nhiệt độ làm việc | : -350C÷400C |
- Kích thước và trọng lượng | : 95.2x122.7x54mm nặng 507g |
- Tiêu chuẩn đáp ứng | : IEC® 61643-11 Class II, UL, EN |

- Giá mạng tính chất tham khảo chưa bao gồm VAT và nhân công lắp đặt.
- Tiến độ cấp hàng 6-8 tuần trong trường hợp hàng không có sẵn tại Việt Nam. Hàng hóa đầy đủ giấy chứng nhận Co, Cq.
- Thiết bị cắt lọc sét 1 pha dòng tải 20A, mắc nối tiếp với tải tiêu thụ, điện áp làm việc bình thường Un: 240V, điện áp làm việc liên tục cực đại Uc: 275V, cấu hình bảo vệ L-N & N-PE, dòng cắt sét Imax: 20kA xung 8/20µs. Mạch lọc sét LC 1 cuộn giữa L-N tần số lọc -50 dB @ 100 kHz. Vị trí lắp đặt tại Class 2+Class 3 trong mạch điện phân phối, có đèn LED hiển thị trạng thái làm việc của thiết bị, có tiếp điểm cảnh báo xa. Mã hàng: TSF20A240V, xuất xứ: Ercico-Mỹ. Đơn giá: 0944249191
- Thiết bị cắt sét Erico Critec được lắp đặt trên DIN 35mm, bảo vệ Type 2 hoặc Type 3. Nên trước nó cần phải có thêm thiết bị chống sét lan truyền Type 1.
- Bộ cắt lọc sét TSF20A240V được lắp đặt nối tiếp khả năng chịu tải chỉ được 20A, nếu dòng tải lớn hơn cần lắp mã SRF của Erico.
- Cáp đấu nối có tiết diện 2.5÷10mm2 nếu cáp to quá sẽ không vừa lỗ đút cáp. Thiết bị chống sét TSF20A240V cần phải đấu với hệ thống tiếp địa.

Hình ảnh: sơ đồ nguyên lý Erico TSF20A240V
- Vui lòng gọi theo số 0978281637 tel: 02466528821 để được hỗ trợ Catalogue, Datasheet, Giá rẻ thiết bị cắt lọc sét lan truyền qua đường nguồn điện 1 pha Erico TSF20A240V.
- Ngoài sản phẩm cắt lọc sét 1 pha 20A của Erico Critec bạn có thể tham khảo mã hàng tương đương DLSF20A của Lpi-Úc.
Địa chỉ:
Email :
Mobile:
Đăng ký Email từ Shop hàng hiệu để nhận những thông tin mới nhất từ chúng tôi !