- Bộ đếm sét lan truyền qua đường nguồn lắp đặt cho tủ cắt sét, cắt lọc sét. Sử dụng nguồn 220Vac, tự động nhảy khi có sét đánh. Dòng khởi chuyển 100A xung 8/20µs. Mã hàng: TEC CTL06. Xuất xứ: Việt Nam
- Liên hệ hotline: 0944249191
- Dowload tải Catalogue đếm sét TEC CTL06 tại đây
- Bộ đếm sét TEC CTL06 được Cục Sở Hữu Trí Tuệ đã cấp đăng ký nhãn hiệu hàng hóa.
- Bộ đếm sét TEC CTL06 kỹ thuật số đa chức năng.
- TEC CTL06 có thể lắp đặt cùng với thiết bị cắt sét SPD hoặc lắp độc lập.
- Bộ đếm sét lan truyền có khả năng ghi chính xác, hiển thị 9999 lần, dữ liệu sẽ không bị mất khi tắt nguồn.
- TEC CTL06 được kiểm tra chất lượng trực tiếp từ máy phát xung sét.
- Bộ đếm sét được thiết kế Module giúp sản phẩm chắc chắn và tin cậy.
- Tự động nhảy khi có xung sét chạy trên đường dây tiếp địa.

Hình ảnh. Đếm sét lan truyền qua đường nguồn
Mã hàng | : TEC CTL06 |
Xuất xứ cắt sét CTL06 | : Việt Nam |
Điện áp danh định Un | : 220÷240V/50HZ |
Dòng xung sét tối thiểu | : 0.1kA (100A) xung 8/20 µs |
Nguồn Back-up | : 6÷12Vdc |
Tiêu thụ điện năng | : < 0.3W |
Thu thập dữ liệu | : Ghi dữ liệu ngay cả khi mất nguồn |
Xóa dữ liệu bộ đếm sét TEC CTL06 | : Có thể xóa dữ liệu mềm |
Hoạt động thiết bị đếm sét CTL06 | : Cảm ứng qua cuộn dây |
Kích thước cuộn cảm: Đường kính ngoài, trong, dày | : 22mm x 14mm x 8mm |
Nhiệt độ hoạt động | : -40÷800C |
Độ ẩm bộ đếm sét | : < 95% ở 25 ºC không ngưng tụ |
Vỏ bộ đếm sét TEC CTL06 | : Nhựa nhiệt dẻo, UL94 V0 |
Cấp bảo vệ, độ kín | : IP20 |
Kích thước dây đấu nối | : 0.5÷1,5mm² |
Hiển thị bộ đếm sét CTL06 | : Hiển thị LED |
Có khả năng đếm | : 9999 lần |
Tiêu chuẩn lắp đặt | : DIN 35mm |
Trọng lượng bộ đếm sét TEC CTL06 | : 100gr |

Hình ảnh: bộ đếm sét TEC CTL06 lắp trong tủ cắt lọc sét
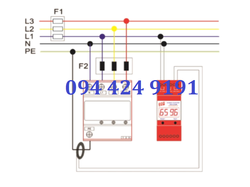
- Thiết bị đếm sét TEC CTL06 có 6 chân L, N, 1, 2, 3, 4. Trong đó L, N là đấu vào nguồn AC. 1, 2 đấu vào cảnh báo xa. 3, 4 chân đấu vào vòng cảm biến.
- Vòng cảm biến sẽ được đấu nối vòng qua dây tiếp địa.

Hình ảnh: sơ đồ đấu nối thiết bị đếm sét TEC CTL06
- Vui lòng liện hệ bộ đếm sét lan truyền TEC CTL06 vui lòng liên hệ với Chống Sét Trần Gia. Địa chỉ: Số 20, ngách 43/17, ngõ 43 phố Kim Đồng, phường Giáp Bát, quận Hoàng Mai, Tp. Hà Nội. Tel: 02466528821, Hotline: 0944249191.
Địa chỉ:
Email :
Mobile:
Đăng ký Email từ Shop hàng hiệu để nhận những thông tin mới nhất từ chúng tôi !